Frame with foot end shield with f1ange(B35)
For more information, please send an email or call our hotline
Frame with foot end shield with f1ange(B35)
For more information, please send an email or call our hotline
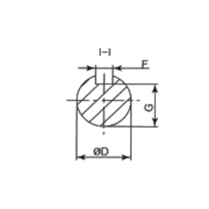
| Frame | Ploes | Mounting dimension(mm) | Overall dimensions(mm) | ||||||||||||||||||||
| A | A/2 | B | C | H | K | D | E | F | G | M | N | P | R | S | T | Holes | AB | AC | AD | HD | L | ||
| 80M | 2.4 | 125 | 62.5 | 100 | 50 | 80 | 10 | 19 | 40 | 6 | 15.5 | 165 | 175 | 200 | 0 | 12 | 3.5 | 4 | 165 | 175 | 145 | 220 | 305 |
| 90S | 2.4.6 | 140 | 70 | 100 | 56 | 90 | 10 | 24 | 50 | 8 | 20 | 165 | 205 | 200 | 12 | 3.5 | 4 | 180 | 205 | 170 | 265 | 395 | |
| 90L | 2.4.6 | 140 | 70 | 125 | 56 | 90 | 10 | 24 | 50 | 8 | 20 | 165 | 205 | 200 | 12 | 3.5 | 4 | 180 | 205 | 170 | 265 | 425 | |
| 100L | 2.4.6.8 | 160 | 80 | 140 | 63 | 100 | 12 | 28 | 60 | 8 | 24 | 215 | 215 | 250 | 15 | 4 | 4 | 205 | 215 | 180 | 270 | 435 | |
| 112M | 2.4.6.8 | 190 | 95 | 140 | 70 | 112 | 12 | 28 | 60 | 8 | 24 | 215 | 255 | 250 | 15 | 4 | 4 | 230 | 255 | 200 | 310 | 475 | |
| 132S | 2.4.6.8 | 216 | 108 | 140 | 89 | 132 | 12 | 38 | 80 | 10 | 33 | 265 | 310 | 300 | 15 | 4 | 4 | 270 | 310 | 230 | 365 | 535 | |
| 132M | 2.4.6.8 | 216 | 108 | 178 | 89 | 132 | 12 | 38 | 80 | 10 | 33 | 265 | 310 | 300 | 15 | 4 | 4 | 270 | 310 | 230 | 365 | 550 | |
| 160M | 2.4.6.8 | 254 | 127 | 210 | 108 | 160 | 14.5 | 42 | 110 | 12 | 37 | 300 | 250 | 350 | 19 | 5 | 4 | 320 | 340 | 260 | 425 | 730 | |
| 160L | 2.4.6.8 | 254 | 127 | 254 | 108 | 160 | 14.5 | 42 | 110 | 12 | 37 | 300 | 250 | 350 | 19 | 5 | 4 | 320 | 340 | 260 | 425 | 760 | |
| 180M | 2.4 | 279 | 139.5 | 241 | 121 | 180 | 14.5 | 48 | 110 | 14 | 42.5 | 300 | 250 | 350 | 19 | 5 | 4 | 355 | 390 | 285 | 460 | 805 | |
| 180L | 4.6.8 | 279 | 139.5 | 279 | 121 | 180 | 14.5 | 48 | 110 | 14 | 42.5 | 300 | 250 | 350 | 19 | 5 | 4 | 355 | 390 | 285 | 460 | 835 | |
| 200L | 2.4.6.8 | 318 | 159 | 305 | 133 | 200 | 18.5 | 55 | 110 | 16 | 49 | 350 | 300 | 400 | 19 | 5 | 4 | 395 | 445 | 320 | 520 | 890 | |
| 225S | 4.8 | 356 | 178 | 286 | 149 | 225 | 18.5 | 60 | 140 | 18 | 53 | 400 | 350 | 450 | 19 | 5 | 8 | 435 | 495 | 350 | 575 | 865 | |
| 225M | 2 | 356 | 178 | 311 | 149 | 225 | 18.5 | 55 | 110 | 16 | 49 | 400 | 350 | 450 | 19 | 5 | 8 | 435 | 495 | 350 | 575 | 865 | |
| 4.6.8 | 356 | 178 | 311 | 149 | 225 | 18.5 | 60 | 140 | 18 | 53 | 400 | 350 | 450 | 19 | 5 | 8 | 435 | 495 | 350 | 575 | 895 | ||
| 250M | 2 | 406 | 203 | 349 | 168 | 250 | 24 | 60 | 140 | 18 | 53 | 500 | 450 | 550 | 19 | 5 | 8 | 490 | 550 | 390 | 635 | 995 | |
| 4.6.8 | 406 | 203 | 349 | 168 | 250 | 24 | 65 | 140 | 18 | 58 | 500 | 450 | 550 | 19 | 5 | 8 | 490 | 550 | 390 | 635 | 995 | ||
| 280S | 2 | 457 | 228.5 | 368 | 190 | 280 | 24 | 65 | 140 | 18 | 58 | 500 | 450 | 550 | 19 | 5 | 8 | 550 | 630 | 435 | 705 | 1030 | |
| 4.6.8 | 457 | 228.5 | 368 | 190 | 280 | 24 | 75 | 140 | 20 | 67.5 | 500 | 450 | 550 | 19 | 5 | 8 | 550 | 630 | 435 | 705 | 1030 | ||
| 280M | 2 | 457 | 228.5 | 419 | 190 | 280 | 24 | 65 | 140 | 18 | 58 | 500 | 450 | 550 | 19 | 5 | 8 | 550 | 630 | 435 | 705 | 1080 | |
| 4.6.8 | 457 | 228.5 | 419 | 190 | 280 | 24 | 75 | 140 | 20 | 67.5 | 500 | 450 | 550 | 19 | 5 | 8 | 550 | 630 | 435 | 705 | 1080 | ||
| 315S | 2 | 508 | 254 | 406 | 216 | 315 | 28 | 65 | 140 | 18 | 58 | 600 | 550 | 660 | 24 | 6 | 8 | 635 | 645 | 530 | 845 | 1180 | |
| 4.6.8 | 508 | 254 | 406 | 216 | 315 | 28 | 80 | 170 | 22 | 71 | 600 | 550 | 660 | 24 | 6 | 8 | 635 | 645 | 530 | 845 | 1290 | ||
| 315M | 2 | 508 | 254 | 457 | 216 | 315 | 28 | 65 | 140 | 18 | 58 | 600 | 550 | 660 | 24 | 6 | 8 | 635 | 645 | 530 | 845 | 1210 | |
| 4.6.8 | 508 | 254 | 457 | 216 | 315 | 28 | 80 | 170 | 22 | 71 | 600 | 550 | 660 | 24 | 6 | 8 | 635 | 645 | 530 | 845 | 1320 | ||
| 315L | 2 | 508 | 254 | 508 | 216 | 315 | 28 | 65 | 140 | 18 | 58 | 600 | 550 | 660 | 24 | 6 | 8 | 635 | 645 | 530 | 845 | 1210 | |
| 4.6.8 | 508 | 254 | 508 | 216 | 315 | 28 | 80 | 170 | 22 | 71 | 600 | 550 | 660 | 24 | 6 | 8 | 635 | 645 | 530 | 845 | 1320 | ||
| 355M | 2 | 610 | 305 | 560 | 254 | 355 | 28 | 75 | 140 | 20 | 67.5 | 740 | 680 | 800 | 24 | 6 | 8 | 730 | 710 | 655 | 1010 | 1500 | |
| 4.6.8 | 610 | 305 | 560 | 254 | 355 | 28 | 95 | 170 | 25 | 86 | 740 | 680 | 800 | 24 | 6 | 8 | 730 | 710 | 655 | 1010 | 1530 | ||
| 355L | 2 | 610 | 305 | 630 | 254 | 355 | 28 | 75 | 140 | 20 | 67.5 | 740 | 680 | 800 | 24 | 6 | 8 | 730 | 710 | 655 | 1010 | 1500 | |
| 4.6.8 | 610 | 305 | 630 | 254 | 355 | 28 | 95 | 170 | 25 | 86 | 740 | 680 | 800 | 24 | 6 | 8 | 730 | 710 | 655 | 1010 | 1530 | ||
| 3551 3552 3553 | 2 | 630 | 315 | 800 | 224 | 355 | 35 | 80 | 170 | 22 | 71 | 840 | 780 | 900 | 24 | 6 | 8 | 760 | 900 | 760 | 1130 | 1870 | |
| 4.6.8 | 630 | 315 | 800 | 224 | 355 | 35 | 110 | 210 | 28 | 100 | 840 | 780 | 900 | 24 | 6 | 8 | 760 | 900 | 760 | 1130 | 1920 | ||